BỒN TẮM NẰM ÂM SÀN KALDEWEI
Kích thước (Dài x Rộng x Cao): 1700 x 750 x 410 mm
Loại: Bồn tắm nằm âm sàn (drop-in bathtub)
Chất liệu: Thép tráng men
Màu sắc: Trắng
Kiểu dáng: Hình vuông truyền thống
Kiểu lắp đặt: Trên bệ xây/ bề mặt tương tự
Bao gồm: Bộ chân đỡ, bộ xả, tay vịn.
Đáy chống trơn trượt
Lỗ thoát nước đặt ở phía chân
Dòng: SANIFORM PLUS STAR (có khoét lỗ cho tay vịn)
Thương hiệu: KALDEWEI
-
Saniform Plus Star - 336H
-
29.260.000đ
-
509
BỒN TẮM KALDEWEI SANIFORM PLUS STAR - NÂNG NIU ĐƯỜNG CONG CƠ THỂ

Có những thiết kế vượt thời gian, trở thành một phần không thể thiếu trong cuộc sống hàng ngày. Giống như bồn tắm SANIFORM PLUS STAR dành cho một người, với lỗ thoát nước đặt ở phía chân. Đây là một trong những mẫu bồn tắm kinh điển, được thiết kế ôm sát theo đường cong cơ thể, phù hợp với bất kỳ phòng tắm nào. Bất kể bạn chọn mẫu nào, phần lưng rộng rãi đặc trưng và kiểu dáng tiện dụng đảm bảo bạn luôn thoải mái khi tắm.
- Bồn tắm đơn: Dành cho một người sử dụng.
- Lỗ thoát nước đặt ở phía chân: Thoát nước thải ở phần cuối bồn tắm, gần chân người sử dụng.
- Kiểu dáng hình hộp cổ điển: Thiết kế hình chữ nhật truyền thống, góc cạnh vuông vắn.
- Có tùy chọn tay vịn: Giúp việc ra vào bồn tắm dễ dàng và an toàn hơn, đặc biệt với người cao tuổi.
- Làm từ chất liệu thép tráng men: Bền vững, chống trầy xước, an toàn và dễ dàng vệ sinh.
KALDEWEI - CHẤT LƯỢNG CAO TỪ ĐỨC
- Sử dụng nguyên liệu thép theo tiêu chuẩn của Đức.
- 100% sản phẩm được sản xuất tại Đức.
- Công nghệ, thiết kế và chất lượng tiêu chuẩn Đức.
- Sản phẩm đặt tiêu chuẩn của Đức và Châu Âu: DIN, EC, TÜV GS, ISO.
- Men thép theo công thức gia truyền hơn 100 năm của Kaldewei.
- Bảo hành sản phẩm: 30 năm chính hãng.
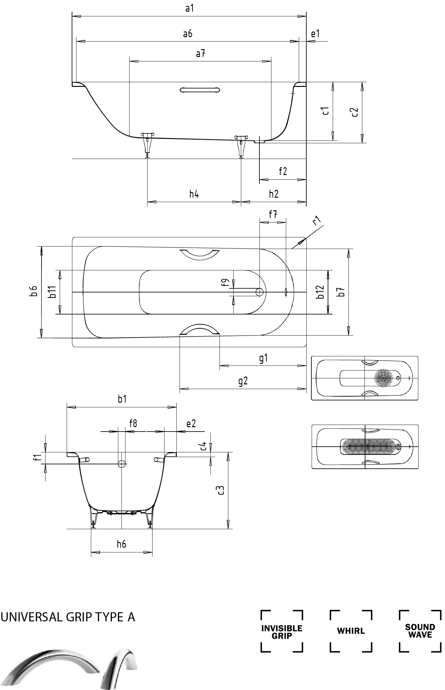
BẢN VẼ KĨ THUẬT:


Sản phẩm Bồn Tắm Nằm Âm Sàn Kaldewei Saniform Plus Star đang được trưng bày tại showroom Tô Kiệt. Mọi chi tiết giải đáp thắc mắc, quý khách vui lòng liên hệ số HOTLINE: 1900 9999 29 để được tư vấn miễn phí bởi đội ngũ chuyên viên của chúng tôi.
